PINS
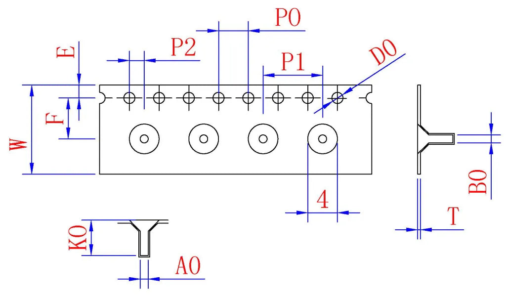
President John Adams famously sang to his wife Abigail, “Pins, Abigail, pins!” in the musical,1776, the multiple Tony Award-winning musical about the events leading up to the signing of the Declaration of Independence. If only they knew about the technological advances of 2022 allowing printed circuit pins, (nail head type shown here) to be solder-mounted in 0.040″ mounting holes from a vertical position! OX3 can carefully tool carrier tape pockets to hold these pins in a vertical position for flawless pick ‘n place at your factory.
